Login Register

Thread Rating:
  • 0 Vote(s) - 0 Average
  • 1
  • 2
  • 3
  • 4
  • 5
gauge cluster harness/circuit
#1
anyone have or know of a diagram? looking for a pinout on the connector.
Reply
#2
sure easy
need car spec, year,engine,2wd/4wd, 2door4? 8v 16v engine.
at least year. to start.
here is 95

http://www.fixkick.com/power-elect/95%20...5GAGES.pdf

1996?
8a-81
here
http://www.acksfaq.com/trackerfsm.htm
http://www.fixkick.com
Reply
#3
(02-15-2015, 10:55 AM)fixkick Wrote: sure easy
need car spec, year,engine,2wd/4wd, 2door4? 8v 16v engine.
at least year. to start.
here is 95

http://www.fixkick.com/power-elect/95%20...5GAGES.pdf

1996?
8a-81
here
http://www.acksfaq.com/trackerfsm.htm

ah, bums.. guess my signature didn't want to post.

--edit--
there is like 16 pins and all of them have a lead running to them, but only 7 of them are used???(based on that pdf) ...maybe i'm missing something.
95 4wd 16v 5spd 2dr
Reply
#4
usa car, or ? tracker or sidekick?, wiring can vary with canada model, or if car not made in CAMI plant? and they used a Japan made cluster.
Vin tells where made and hood sticker shows market usage, (usa FED, USA calif or canada, FED)

cars in canada market can have DRL lighting and a lamp for that on dash.

may I ask what the job is? fixing , mod'ing it or?
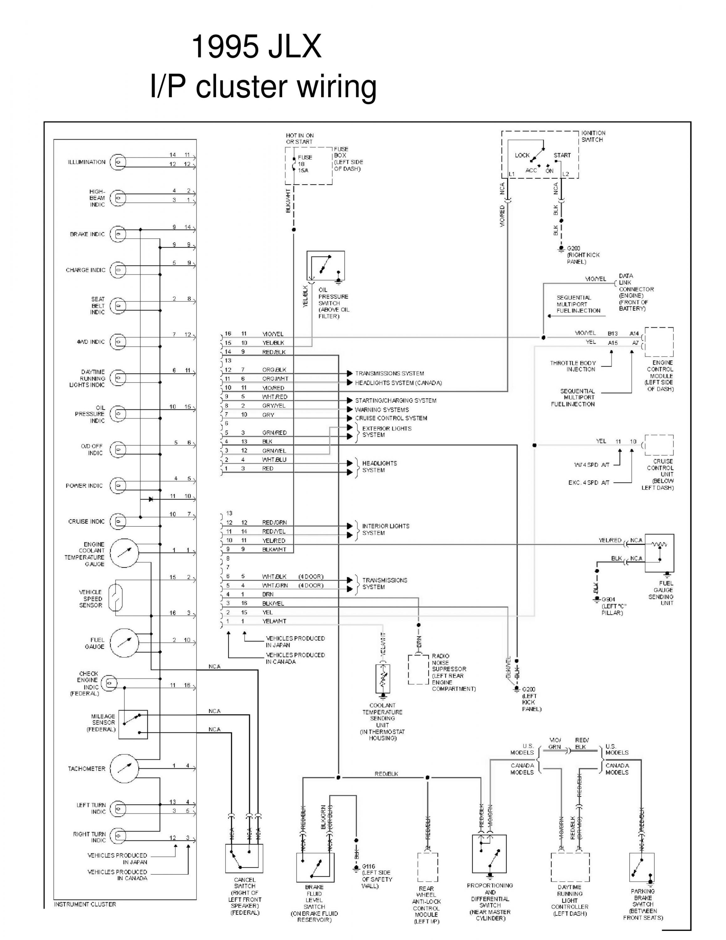
they all have 16pin, and no car made uses all 16, the extra pins are for options not opted day one, like abs/4wd, Overdrive 4speed, drl,

i see i now !!
ok 95
i have the full parts list on that, and all sub parts inside cluster that swaps. year to year.
i think this drawing shows all pins PRinted, (that is all connectors that have live pins) on the flex PC.
[Image: 3_16_02_15_4_05_01.jpeg]


i have 2 pages, one is the schematic of that
and one huge page showing all 95 cluster specs.

there were 8 clusters just for 1995 and in usa, vast more outside, (KPH speedo etc)

http://www.fixkick.com/sensors/speedo/cl...frack.html

60Am0 or 61AM0 Fed, calf, 16 x3 pins

produced does not mean market.

some times the cami plant shuts down, strike or refit and parts now come from japan actual, to go to any market.
all the above is USA spec, facts, i have no books for other countries, zero.

car wiring is tricky, and depends on many things
there are like 12 main harnesses used , here. just one year.
engine/country/3 model cars, calif and fed smog cars. (all permutations)

the cancel switch is only fitted to USA FEDERAL cars./

power indicator is the 4speed, a/t, P/N switch profile shifts.
cruise if cruised opted.
DRL
O/D is 4speed Overdrive
some harness have the wires there, but are not used,

the do not make a harness for every permutation of options, like mine, i added the missing tacho , and it works, wires were there.
http://www.fixkick.com
Reply
#5
US fed i believe. maintenance switch, no DRL, not calif smog.

Yeah, from what i could gather, only 95's fit 95 cluster.

Tach dial is stuck/frozen, took face plate off, and it doesn't want to move freely. odo is also frozen. Finding a cluster is not easy, but, interchange would be nice. fitment wouldn't be a problem.

wanted to know pinout because i was considering using aftermarket gauges.
95 4wd 16v 5spd 2dr
Reply
#6
tacho dead
speedo dead/?
and odometer. dead.

yes, finding good heads is not easy, for mine bought 2 on fleabay and mixed internal parts to get one perfect.
if the speedo is dead so will vss and the ECU just hates, dead VSS, its used big time for load calculations for injectors. (and lots more)

ok let me look up what cluster years, use same p/n speed meters. heads.
the 94/95 are same head.
and same internal meter/tach set. (the meters are married inside, unlike early years)
only 2 doors fit and swap internals, no 4 doors.
no 2wd, fit or swap internals, it has 2 separate meters inside.2wd heads.

the best way to get a head, is ebay, make seller show back side (16x3), and bottom sticker p/n? never lies....
dash 60AM0 (p/n)
and say, he promises "NO DOA" for 1 day after delivery or more. 3 days, many there, sell dead heads for $100, its a rip off. i make them promise its good.
then buy.
many don't know what it fits, so with the p/n and my pn page. you do know
page 10 is your head

http://www.fixkick.com/sensors/speedo/al...edo16L.pdf

there is also, car-part.com (no s)
wreckers network

wow 18 heads (variants) all same year 1995
$75
http://www.car-part.com/cgi-bin/search.cgi
http://www.fixkick.com
Reply


Forum Jump:


Users browsing this thread: 1 Guest(s)